FUENTE DE ALIMENTACIÓN REGULABLE DESDE 1V A 32V 8A.
TAMBIÉN SE PUEDE REGULAR EL CORTE DEL VOLTAJE POR INTENSIDAD DESDE 0.5A-8A.
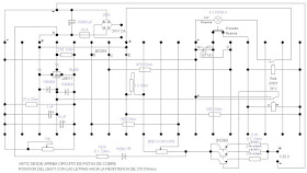
ESQUEMA GENÉRICO:
TRANSFORMADOR DE 110V-220V AC A 24V AC (12+12) 300W MÍNIMO.
PUENTE RECTIFICADOR DE 30A.
El sistema funciona de la siguiente manera:
El Pulsador es del tipo que Abre al Pulsar (lo normal es cerrar al pulsar).
El LM317 sirve para Regular el Voltaje de Salida de la Fuente con el Potenciometro de 10k (yo pongo uno de 5K bobinado) actuando sobre las bases de los Transistores de Potencia.
El relé cuando esta desactivado deja pasar la Señal del LM317 hacia las bases de los Transistores de Potencia.
Los Transistores de Potencia son los que dejan Pasar Mayor o Menor Voltaje a la Salida, cuando el voltaje de Salida es Menor al de Entrada la diferencia se queda en los Transistores que absorven la Potencia que No se Utiliza transformadola en Calor, por eso los Transistores deben estar conectados a un Buen Disipador de Calor.
Con el Potenciometro de 1K se puede Regular el punto de corte del Voltaje de Salida en Función de la Intensidad Consumida Por la Carga conectada a la Salida de Voltaje.
Para poder regular la Intensidad de Corte de Voltaje se necesita una resistencia de 0.1 ohmios 15W (o 2 de 0.1 ohmio en paralelo) y un diodo de 30A en serie, con el potenciometro de 1K + la resistencia de 1K en paralelo con regula la Intensidad de corte, cuando pasa la corriente seleccionada con el potenciometro polariza la base del transistor BF204 y deja pasar el voltaje de alimentación a la puerta (G) del Tiristor BT151 activandolo, el cual se que da en conducción constante, la corriente pasa por el pulsador y la bobina del relé activandolo, al activarse el relé se abre el contacto que dejaba pasar el voltaje de regulación del LM317 a las Bases de los Transistores de Potencia, entonces se cierra el contacto del rele que estaba abierto poniendo las bases de los transistores a masa (no conducen y por lo tanto no dejan pasar Voltaje a la Salida). Para volver a desactivar el Relé a su posición normal hay que Pulsar el Pulsador para que el contacto se abra y deje de conducir el Tiristor y por lo tanto la bobina del relé.
Se puede poner una lampara de Neón en paralelo con el Pulsador para que sirva de Piloto de aviso de que se ha desactivado el sistema por sobrepasar la Intensidad fijada con el Potenciometro de 1K y hay que rearmarlo para seguir funcionando.
ESQUEMA SOBRE PLACA DE PISTAS DE COBRE:
el LM317 debe de ir con las letras mirando hacia la resistencia de 270 ohmios.
en este esquema igual al anterior el piloto de neón se ha puesto en serie con el Pulsador de rearme:

la resistencia de 1K en serie con el Potenciometro de 1K de Regulación de Intensidad sirve para poner el corte de máxima Intensidad de corte, si se baja su valor se aumenta el punto de corte.
ESQUEMA DE PISTA DE COBRE CON 6 TRANSISTORES DE POTENCIA EN LA MISMA PLACA:
RELÉ "DPDT":
relé "DPDT" de 12V y 24V:
https://es.aliexpress.com/item/8-pins-5A-pcb-relay-DPDT-power-relay-12V-24V-dpdt-relays/32681671315.html?spm=2114.13010608.0.0.AXSb8y
https://es.aliexpress.com/item/Free-shipping-2PCS-LOT-New-original-G2R-2-DC24-Relay-G2R-2-24VDC/32478252747.html?spm=2114.13010608.0.0.AXSb8y


se hacen agujeros de 3mm para los tornillos que sujetan los transistores al disipador de Calor:

los agujeros tienen que coincidir con la abertura entre aletas del disipador
se impregna la parte de atrás de cada transistor con silicona termoconductora

se atornilla fuertemente cada tornillo de 3mmx150mm

se pone un ventilador para ayudar a la refrigeración del disipador de calor.









Me ha gustado mucho su proyecto.
ResponderEliminar